Tester Lógico

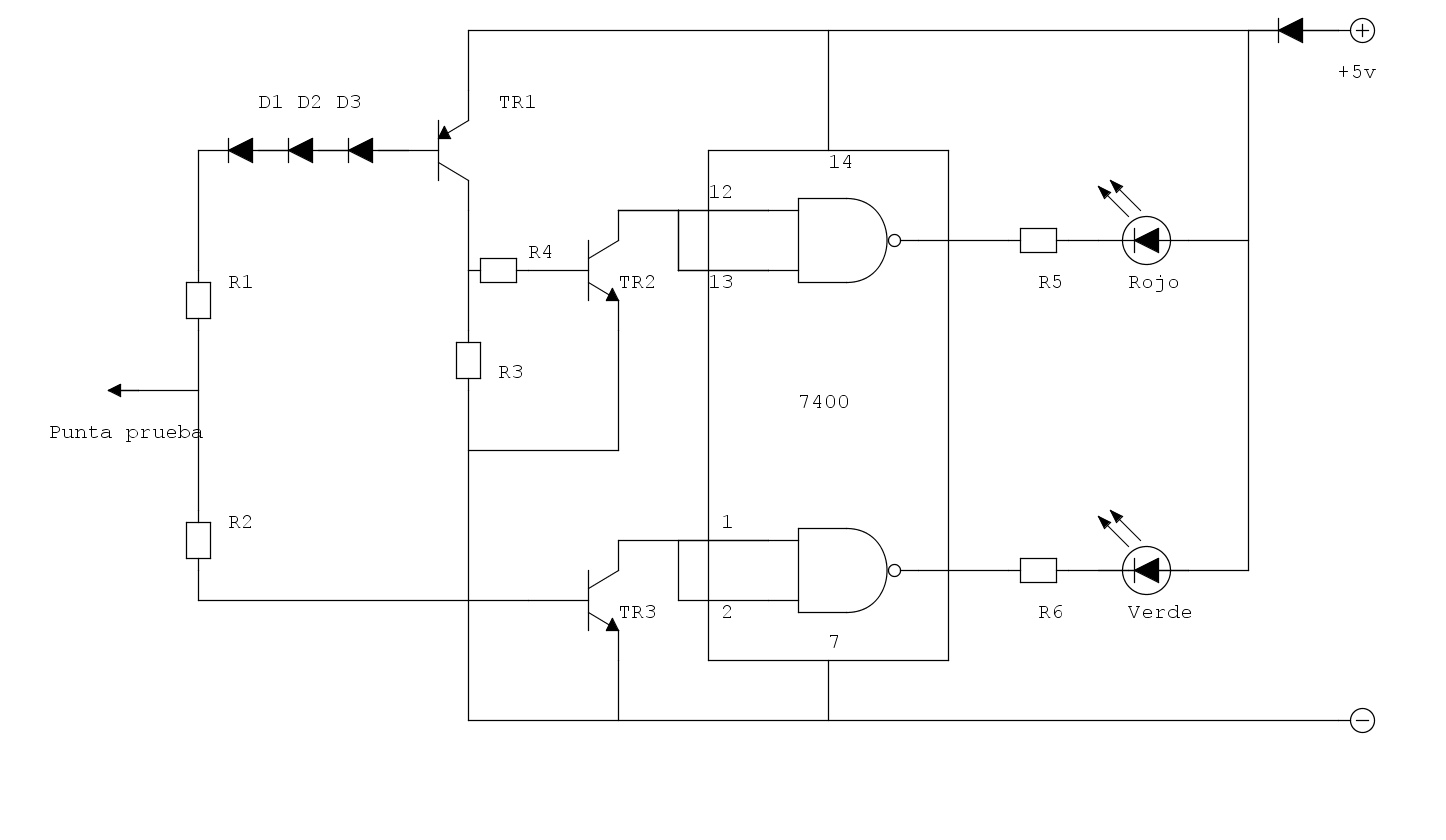
Tester lógico para TTL. El circuito es bastante simple y cabe en un rotulador. Como punta he usado un jack macho de los finos.

La alimentación del circuito es con 5 voltios, normalmente del mismo circuito en prueba.

Al “aire” los dos diodos están apagados. El rojo se enciende con nivel lógico de 5 voltios y el verde en nivel lógico bajo.  Si el circuito es oscilante, parpadean los dos LED predominando el color según la relación cíclica de la señal. Tener en cuenta que una intensidad de luz inferior a lo normal puede indicar simplemente la presencia de transiciones con una relación cíclica muy pequeña.
Components:

R1= 100k

R2= 33k

R3= 1k

R4= 47k

R5= 120O

R6= 100O

TR1= 2N2907

TR2 y TR3= 2N2222

IC1= 7400

D1,D2,D3,D4= 1N4148





Menu